
20,0000 SqFt of structural steel stock
Hibernia Steel Products Ltd are based at a 20,000 sqft site near Drogheda, County Meath. We hold over 15,000kgs of steel and over 2500 various steel products for the construction of agricultural infrastructure.

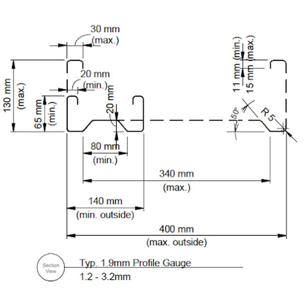
At Hibernia Profiles, we supply precision-formed Purlins engineered to provide reliable structural support for roof and wall cladding systems. Commonly used in steel-framed buildings, purlins span across primary steel frameworks to carry and secure sheeting materials. Lightweight yet strong, our Sigma and Cee section purlins are fabricated to meet the exact demands of modern construction projects across agricultural, commercial, and industrial sectors.
About UsCold-Rolled Multibeam Cee and Sigma sections in custom lengths
We manufacture and stock a wide selection of cold-rolled purlins, available in standard and custom sizes. Made from high-tensile galvanised steel, our purlins offer excellent load-bearing capacity, corrosion resistance, and easy installation.
Available Purlin Types Include:


Reliable Support for Long-Span Roof and Wall Systems
Roof Structures:
Purlins run horizontally across rafters to support roof cladding, providing both structural strength and load distribution.
Wall Girts:
Used vertically or horizontally to support side cladding, offering wind resistance and panel anchoring.
Agricultural Buildings:
A core element in steel-framed barns, sheds, and livestock units due to durability and light handling.
Industrial & Commercial Units:
Suitable for warehouses and factories where strength-to-weight ratio is critical.
Modular and Prefab Construction:
Easy to integrate into modular frames for fast assembly and strong performance.
Contact us about your custom fabricated purlins today!
Get in touch with Hibernia Steel for reliable service, technical support, and nationwide supply.


Automated Process For Fast Turnaround
Cutting and Drilling: “Precision cutting to your desired length and optional off cuts, seamlessly transitioning to our drilling stations if required.”
Finishing: “Enhance steel durability with options like shot blasting, red oxide painting, or galvanisation for complete protection.”
Plasma Cutting: “Efficient automated steel processing for a quick turnaround and timely delivery.”

Hibernia Steel Products Ltd.
Grangegeeth
Slane
Co Meath
C15 H21C
Ireland
Company Reg: IE157345
VAT: IE6555345K


Hibernia Steel Products Ltd are based at a 20,000 sqft site near Drogheda, County Meath. We hold over 15,000kgs of steel and over 2500 various steel products for the construction of agricultural infrastructure.

Hibernia Steel Products Ltd operate its own fleet of delivery vehicles and HIAB’s and are familiar with the challenges of delivering large loads to some of the countries most rural locations.

Our aim is for our service and products to be right, first time, every time.  In the very rare occurrence when something does goes wrong we are totally focused in putting things right at the earliest opportunity with no fuss.

A complete steel profiles supply, processing, and delivery service to rely on.
 Our Mission Statement
  Our Mission Statement"Our mission is the on time delivery of structural steel, steel stock holding and accurately manufactured products that consistently surpass our customers' standards for quality, service, and value, establishing ourselves as a trusted partner in the industries we serve."
"To be known as an employer of choice for skilled fabricators and support staff while providing interesting and rewarding work in a safe and positive environment"
Raymond Moore Managing Director


We have always taken pride in the services that we offer and have built up an excellent reputation with our customer base over decades of supply of structural steel, metal stock holding and its processing. Below are our most recent reviews.
"*" indicates required fields